| Schéma du circuit |

|
NON |
Connecteur du faisceau de câblage |
Moteur du toit panoramique |
Moteur du cache-soleil |
|
|
|
|
|
|
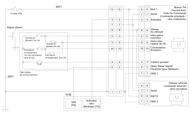
1 |
masse |
masse |
masse |
|
2 |
Signal d'état de la vitre / outil |
Signal d'état de la vitre / outil |
- |
|
3 |
PERMETTENT |
PERMETTENT |
- |
|
4 |
Commutateur inclinaison vers le haut |
Commutateur inclinaison vers le haut |
- |
|
5 |
Interrupteur ouvert |
Interrupteur ouvert |
- |
|
6 |
BATTERIE |
BATTERIE |
BATTERIE |
|
7 |
- |
Communication LIN |
Communication LIN |
|
8 |
SIGNAL DE VITESSE DU VÉHICULE |
SIGNAL DE VITESSE DU VÉHICULE |
SIGNAL DE VITESSE DU VÉHICULE |
|
9 |
2ème interrupteur de clic |
2ème interrupteur de clic |
- |
|
10 |
Interrupteur de fermeture |
Interrupteur de fermeture |
- |
Composants et emplacement des composantsComposants et emplacement des composants
EMPLACEMENT DES COMPOSANTS
[Réservoir de carburant]
1. RESERVOIR CARBURANT
2. Flexible de remplissage de carburant
3. Flexible d’évent
4. Flexible de mise à niveau
5. Pompe à carburant
6. Canister
7. Bague de serrage de la pompe
...
Ancrage et ancrage pour fixation supérieure ISOFIX (système ISOFIX) pour
enfants
Le système ISOFIX maintient un Système de Retenue pour Enfants pendant la
conduite et en cas d'accident. Ce système est conçu pour faciliter
l'installation du Système de Retenue pour Enfants et réduire la possibilité
d'une installation impropre de votre Système de Retenue p ...