| Schéma du circuit |

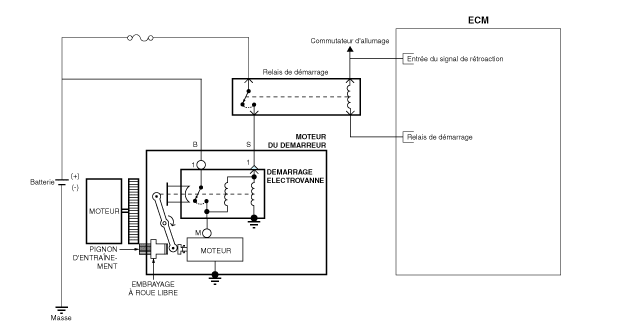
DEMARREUR Description et fonctionnement
DEMARREUR Procédures de réparationCapuchon du tuyau de remplissage de carburant Description et fonctionnement
Description
Un système de détrompeur de serrage sur le bouchon fileté du réservoir de carburant
réduit les chances d'une installation incorrecte lors de la fermeture du réservoir.
Une fois que le joint du réservoir de carburant et que la bride de tuyauterie
de rem ...
Système CVVT (synchronisation de soupape variable continue) System Description
et fonctionnement
Description
Le système de calage de soupape variable en continu (CVVT) avance ou retarde
le calage de soupape de la soupape d'échappement et d'admission selon le signal
de commande ECM calculé par la charge et la vitesse du moteur.
En contrôlant CVVT, un écart ...