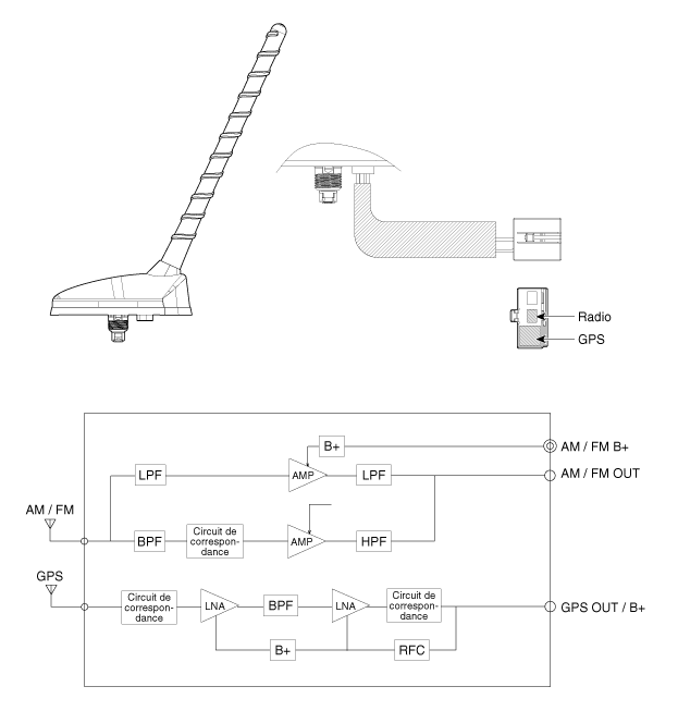
| Schéma du circuit |
| [Radio + GPS] |

| [Radio + GPS + DAB] |

Haut-parleur Procédures de réparation
ATENNE DE TOIT Procédures de réparationPrécautions que le propriétaire doit prendre en matière d'entretien
Un entretien inadapté ou incomplet peut occasionner des problèmes. Cette
chapitre vous donne des instructions uniquement à propos des éléments faciles
d'entretien.
Renseignement
Un entretien inadapté effectué par le propriétaire au cours de la période
de garantie peut entraîne ...
Programme d'entretien à effectuer par le propriétaire
Lorsque vous faites le plein de carburant:
Vérifier le niveau d'huile moteur.
Vérifier le niveau du liquide de refroidissement dans le réservoir
correspondant.
Vérifier le niveau du liquide laveglace du pare-brise.
Assurez-vous que les pneus sont suffisamment gonflés.
AVERT ...